Service Scope
服務範圍
工程設計
「以卓越工程技術為核心,提供從藍圖到落成的全方位解決方案。」
我們深耕於化工與石化產業領域,憑藉深厚的工程設計底蘊與實務經驗,致力於為客戶打造安全、高效且符合國際標準的工業設施。從精密的製程模擬到整廠的統包施工,我們整合了多學科的專業技術團隊,提供一站式(One-Stop Shop)服務,協助客戶在複雜的工程挑戰中,實現最優化的投資效益。

製程設計 (Process Engineering)
正揚工程提供完整的製程設計服務,涵蓋從基礎工程設計套件(BEDP)到詳細工程設計(Detail Engineering),協助業主將製程概念轉化為可實際落地的工程方案。
我們透過製程模擬與系統分析,進行質量與能量平衡計算,優化各單元操作條件,並建立製程流程圖(PFD)與管線儀表圖(P&ID)等關鍵設計文件,作為後續設計與施工的重要依據。
在設備與系統設計方面,我們完成設備規格書(Data Sheet)編制,並進行熱交換器性能分析、泵浦水力計算及安全閥(PSV)洩放評估,確保整體製程在安全性、穩定性與運轉效率上達到最佳化。
我們的製程設計不僅重視技術可行性,更著重於長期運轉的可靠性與整體投資效益,協助業主降低風險並提升系統價值

土木設計 (Civil Engineering)
我們提供符合工業廠區需求的整合土木工程設計服務,為工業廠區建立安全、穩固且具長期耐久性的基礎設施,確保設備與整體結構在各類操作條件下穩定運行。
針對大型轉動設備、塔器及儲槽等關鍵設施,我們進行動態與靜態載重分析,設計符合實際運轉需求的設備基礎。同時依據地質條件評估,規劃適當的基樁配置與地盤改良方案,有效應對軟弱地層及高載重挑戰。
在廠區整體規劃方面,我們整合重載道路、排水與雨水回收系統、地下管溝及公共管線銜接設計,提升廠區運作效率與基礎設施完整性。
此外,依據不同製程環境需求,我們制定耐久性混凝土設計,包括抗滲與抗化學腐蝕等特殊規格,確保結構物在嚴苛環境下仍能長期穩定使用。
👉 我們的土木設計不僅著重結構安全,更強調與製程及設備需求的整合,為整體工程奠定可靠基礎。

鋼構設計 (Structural Steel Design)
我們提供結合製程需求的鋼構工程設計服務,兼顧結構安全、空間配置與後續維護需求,為工業廠區建立高效率且可靠的支撐系統。
針對多層設備架台與關鍵結構,我們依據設備荷重與製程配置進行設計,並考量震動影響與長期運轉穩定性,確保結構安全與使用壽命。
在管架系統規劃方面,我們整合全廠主次管架配置,優化管線佈局與空間利用,同時納入熱膨脹與地震力等工程條件,提升整體系統的可靠性。
此外,我們亦提供鋼構廠房、倉儲設施及各類工業棚架設計,並結合防火時效與防蝕規劃,確保結構符合安全規範與環境需求。針對操作平台與維修動線,則依據國際安全標準進行設計,提升作業安全與維護便利性。
👉 我們的鋼構設計不僅強調結構強度,更重視與製程配置及操作需求的整合,提升整體廠區運作效率。

建築設計 (Architectural Design)
我們專注於打造兼顧生產效能與法規要求的工業建築,從中央控制室、電機室 (Substation)、化驗室到行政辦公大樓,皆進行完整空間規劃,確保製程順暢與操作便利。
法令檢討與執照代辦涵蓋建蔽率、容積率、防火分區及綠建築指標,全程管理報編到使用執照,確保設計符合法規要求。
針對特殊廠房,如半導體與精密化學品設施,我們提供無塵等級、恆溫恆濕及防爆結構設計,讓建築設計與製程配置緊密整合,提升整體廠區運作效率。
我們的建築設計不僅符合法規與安全標準,更強調與製程需求的深度整合,提升廠區運作效率與長期價值。

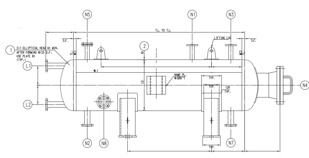
設備設計 (Static Equipment Design)
我們的設備設計以國際標準為基礎,確保壓力容器及關鍵設備安全可靠。遵循 ASME Sec. VIII、API 650 與 CNS 規範,進行厚度與應力分析,精準設計反應器、塔器及換熱器的細部構造。
完整技術規格包含設備圖說、焊接規範 (WPS) 與無損檢測 (NDT) 要求,作為製作與監製依據,確保設備在長期運行中維持高可靠性。
我們的設備設計兼顧安全性、耐用性與製程效率,讓關鍵設備在運行中穩定可靠,支援整體生產目標。

管線設計 (Piping Engineering)
優化廠區空間佈局,確保管線系統的運作可靠性。
- 核心服務:全廠設備平面佈置規劃 (Plot Plan)、管線佈徑 (Layout)、平面圖及等角圖 (ISO) 繪製。
- 專業分析:提供精確的管線材料表 (BOM) 及關鍵管線的應力分析 (Stress Analysis),防止震動、熱膨脹導致的系統損壞。

儀表設計 (Instrumentation Engineering)
我們致力於建構精準自動化系統,實現製程穩定與智慧化監控。針對壓力、流量、液位與溫度等儀表進行精確選型,並設計 DCS / PLC 系統架構,編制 I/O List,繪製迴路圖及邏輯圖。
現場佈置包含接點、接線箱 (JB)、電纜橋架及氣源管路規劃,避免訊號干擾。
我們的儀控設計將自動化、穩定性與操作便利性緊密結合,為工廠打造智慧化、可靠的控制環境。

電氣設計 (Electrical Engineering)
我們提供穩定、安全且節能的電力與動力系統規劃。透過短路電流計算、變壓器容量評估與電力諧波分析,優化全廠供電品質。
高低壓配電盤 (Switchgear/MCC) 與馬達控制中心設計,搭配單線圖 (Single Line) 編製,確保系統完整可靠。危險區域防爆照明與插座設計,以及完整接地網與防雷系統,保障廠區安全。
我們的電氣設計不僅確保供電穩定,也兼顧節能與操作便利,支援整體廠區高效運作。

消防設計 (Fire Protection Design)
我們專注於建立高風險工業環境的安全防線,設計水霧噴淋、泡沫滅火、乾粉系統及極早期火災預警系統 (VESDA)。
公共危險物品設置專業代辦,審查安全距離、儲存容量及防溢堤容量,確保符合法定要求。消防圖說審查與現場查驗全程協同,兼顧工廠安全與法規遵循。
我們的消防設計以風險防控為核心,保障人員與設備安全,同時提升工廠整體防災韌性。
統包施工
「整合設計、採購與營造,實現從藍圖到實體的精準落地。」
我們提供全方位的工程技術服務,涵蓋設計 (Engineering)、採購 (Procurement) 及營建管理 (Construction Management)。身為 EPCM 專業團隊,我們打破傳統設計與施工間的資訊斷層,為化工、石化、高科技電子廠房及商業建築提供「統包一站式解決方案」。
核心價值 我們的競爭優勢
-
🔹 介面無縫整合:
由同一團隊統籌製程改善、空間配置與營建工程,避免設計與施工端的認知誤差。 -
🔹 嚴謹採購管理:
憑藉豐富的供應商資源,確保關鍵設備(如反應爐、換熱器)與材料符合規範且準時抵達。 -
🔹 優化營建品質:
導入現代化營建管理技術,針對複雜的廠區環境提供最佳化施工路徑,確保工程安全與環境品質。
專案管理
「以國際標準 PMP 流程,守護您的每一分投資與時效。」
專案管理不只是時程監控,更是控管風險與成本的關鍵藝術。本公司專案經理團隊均具備多年大型石化廠與化工廠的建廠實務經驗,並持有美國 PMI 協會核發之專案管理師 (PMP) 國際執照。我們能預判工程潛在風險,將「如期完工」與「預算控制」從目標轉化為現實。
管理範疇 專業管理實力
-
🔸 進度精準控管:
建立嚴密的里程碑計畫,動態調整資源分配,杜絕工程延宕。 -
🔸 成本預算優化:
透過科學化的成本估算與價值工程分析,有效降低建設溢價。 -
🔸 風險預警機制:
針對法規申請(如消防、建照)、技術瓶頸及工安風險預先制定應對策略。 -
🔸 溝通協調中樞:
作為業主與各專業分包商間的橋樑,確保所有技術資訊傳遞精確無誤。